
Pipe Tee is a type of pipe fitting which is T-shaped having two outlets, at 90° to the connection to the main line. It is a short piece of pipe with a lateral outlet. Pipe Tee is used to connect pipelines with a pipe at a right angle with the line. Relying on innovation and advanced technology, we offer a wide range of precision engineered Unequal tees. Our ANSI B 16.9 grade Unequal tee fittings are made from well-tested metals and can withstand extremely high & low temperature conditions.
Size
Schedule
Type
Form
Materials
Pressure
Type
Brand Name
Certification
Minimum Order Quantity
Packaging Details
Delivery Time
Payment Terms
Supply Ability
1/2"NB TO 48"NB IN
SCH20, SCH30, SCH40, STD, SCH80, XS, SCH60, SCH80, SCH120, SCH140, SCH160, XXS
Seamless / ERW / Welded / Fabricated
Equal Tee, Reducing Tee, Barred Tee, Lateral Tee.
Stainless Steel Equal Tee – SS Equal Tee
ASTM A403 WP Gr. 304, 304H, 309, 310, 316, 316L, 317L, 321, 347, 904L
SCH5 to SCH160
T, Pipe Tee, LT, Lateral tee , RT, Reducing tee
SMT/Os-lok
EN 10204 3.1/ EN 10204 3.2/ NACE MR 0175
l0 PCS / $ 1000 USD
Bundles, seaworthy wooden cases.With or without edge protector, steel hoop and seals, or as per customer specification
FROM STOCK/ TWO WEEKS
T.T. / L.C
2000ton per month
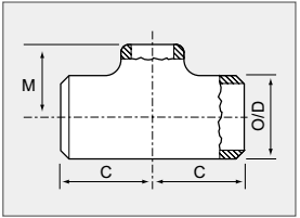
| INCHES |
METRIC |
| N.B. |
O.D. At Bevel |
Run C |
Outlet M |
N.B. |
O.D. At Bevel |
Run C |
Outlet M |
| Run |
Outlet |
Run |
Outlet |
|
|
Run |
Outlet |
Run |
Outlet |
|
|
| ½ ½ |
3/8 ¼ |
0.840 0.840 |
0.675 0.540 |
1 1 |
1 1 |
15 15 |
10 8 |
21.34 21.34 |
17.15 13.72 |
25.40 25.40 |
25.40 25.40 |
| ¾ ¾ |
½ 3/8 |
1.050 1.050 |
0.840 0.675 |
1 1/8 |
1 1/8 |
20 20 |
15 10 |
26.67 26.67 |
21.34 17.15 |
28.58 28.58 |
28.58 28.58 |
| 1 1/8 |
1 1/8 |
| 1 1 |
¾ ½ |
1.315 1.315 |
1.050 0.840 |
1 ½ 1 ½ |
1 ½ 1 ½ |
25 25 |
20 15 |
33.40 33.40 |
26.67 21.34 |
38.10 38.10 |
38.10 38.10 |
| 1 ¼ 1 ¼ 1 ¼ |
1 ¾ ½ |
1.660 1.660 1.660 |
1.315 1.050 0.840 |
1 7/8 |
1 7/8 |
32 32 32 |
25 20 15 |
42.16 42.16 42.16 |
33.40 26.67 21.34 |
47.63 47.63 47.63 |
47.63 47.63 47.63 |
| 1 7/8 |
1 7/8 |
| 1 7/8 |
1 7/8 |
| 1 ½ 1 ½ 1 ½ 1 ½ |
1¼ 1 ¾ ½ |
1.900 1.900 1.900 1.900 |
1.660 1.315 1.050 0.840 |
2 ¼ 2 ¼ 2 ¼ 2 ¼ |
2 ¼ 2 ¼ 2 ¼ 2 ¼ |
40 40 40 40 |
32 25 20 15 |
48.26 48.26 48.26 48.26 |
42.16 33.40 26.67 21.34 |
57.15 57.15 57.15 57.15 |
57.15 57.15 57.15 57.15 |
| 2 2 2 2 |
1 ½ 1 ¼ 1 ¾ |
2.375 2.375 2.375 2.375 |
1.900 1.660 1.315 1.050 |
2 ½ 2 ½ 2 ½ 2 ½ |
2 3/8 |
50 50 50 50 |
40 32 25 20 |
60.33 60.33 60.33 60.33 |
48.26 42.16 33.40 26.67 |
63.50 63.50 63.50 63.50 |
60.33 57.15 50.80 44.45 |
| 2 ¼ |
| 2 |
| 1 ¾ |
| 2 ½ 2 ½ 2 ½ 2 ½ |
2 1 ½ 1 ¼ 1 |
|
|
|
|
|
|
|
|
|
|
| 3 3 3 3 |
2 ½ 2 1 ½ 1 ¼ |
3.500 3.500 3.500 3.500 |
2.875 2.375 1.900 1.660 |
3 3/8 3 3/8 3 3/8 3 3/8 |
3 ¼ 3 2 7/8 2 ¾ |
80 80 80 80 |
65 50 40 32 |
88.90 88.90 88.90 88.90 |
73.03 60.33 48.26 42.16 |
85.73 85.73 85.73 85.73 |
82.55 76.20 73.03 69.85 |
| 3 ½ 3 ½ 3 ½ 3 ½ |
3 2 ½ 2 1 ½ |
4.000 4.000 4.000 4.000 |
3.500 2.875 2.375 1.900 |
3 ¾ 3 ¾ 3 ¾ 3 ¾ |
3 5/8 |
90 90 90 90 |
80 65 50 40 |
101.60 101.60 101.60 101.60 |
88.90 73.03 60.33 48.26 |
95.25 95.25 95.25 95.25 |
92.08 88.90 82.55 79.38 |
| 3 ½ |
| 3 ¼ |
| 3 1/8 |
Materials:
Carbon steel: Carbon steel: ASTM A234 WPB, WPC, ASTM A420 WPL1, WPL3, WPL6 and WPHY-42/46/52/56/60/65/70
Stainless steel: ASTM A403 WP304/304L, WP316/316/L, WP321, WP347 and WPS31254
Alloy steel: ASTM A234 WP1/WP12/WP11/WP22/WP5/WP7/WP9/WP91
Duplex and super duplex steel: ASTM A815 UNS S31803/S32750/S32760
Special alloy steel: Monel400 and Inconel 600/800/825/C276, Ceramic Lined